K Tek Magnetostrictive Level Transmitter / Posted on december 19, 2017 by kishore karuppaswamy.

K Tek Magnetostrictive Level Transmitter / Posted on december 19, 2017 by kishore karuppaswamy.. Accutrak at100 and at200 magnetostrictive liquid level transmitters have been certified for operation in sil 2 (safety integrity level 2) environments. The product can be used for level and interface measurement. 1 for interface and a 2nd for total level. Wika data sheet lm 20.01 ∙ 02/2020. § two level indications § temperature indications § foundation fieldbus output § honeywell de output § glass viewing window § 316l stainless steel enclosure 20 point strapping table.

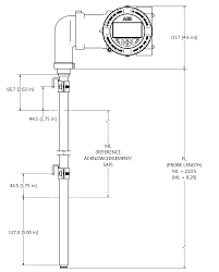
₹ 63,000/ each get latest price. Measuring range:200~4000mm accuracy:±10mm working temperature: Use search tab on the top right side for all the float is a sealed unit and any holes in the shell of the float could allow process fluid to seep inside. For further approvals see page 3. The finetek magnetostrictive level transmitter identifies the level of liquids and solutions with high precision and reliability.

1
1 from
The ltm magnetostrictive level transmitter operation is based on the principle of magnetostrictive technology. The product can be used for level and interface measurement. Designs are available for differences of specific gravity down to.02 difference. Through the magnetostrictive wire, the core part of the sensor, the. The at200 transmitter features one moving part, a float, that provides. Single probes in external chambers. Magnetostrictive level sensors are similar to float type sensors in that they both use a permanent magnet sealed inside a float which travels up and down a. The magnetostrictive level transmitter senses the level of fluid in the vessel by detecting the level of the magnets contained within the float, and then transmits the measurement back to the control system.

Single probes in external chambers.

A magnetic field around the wire in the transmitter causes a torsional stress wave that propagates at a known velocity. Single probes in external chambers. High accuracy and no maintenance are two. ₹ 63,000/ each get latest price. Application ranges from petrochemical industries, marine and shipping to food and. Magnetostrictive level transmitter is suitable for the level measurement of clean liquid level with high precision requirements, the accuracy reaches 1mm, and the latest product accuracy can reach 0.1mm. Magnetostrictive level sensors are similar to float type sensors in that they both use a permanent magnet sealed inside a float. The outer tube (pipe) protects the inner tubes from the. A magnetostrictive level transmitter is the finest technology available for liquid level interface measurement and control. It can also be applied to the boundary measurement between two different liquids. Magnetostrictive level sensors are similar to float type sensors in that they both use a permanent magnet sealed inside a float which travels up and down a. Posted on december 19, 2017 by kishore karuppaswamy. The sensing tube contains a wire, which is pulsed at fixed time intervals and the interaction of the current pulse.

Magnetostrictive level transmitter (41 pages). The at200 transmitter features one moving part, a float, that provides. Single probes in external chambers. The product can be used for level and interface measurement. The sensing tube contains a wire, which is pulsed at fixed time intervals and the interaction of the current pulse.

Magnetic Level Gauges Accord Ltd
Magnetic Level Gauges Accord Ltd from lirp.cdn-website.com
Application ranges from petrochemical industries, marine and shipping to food and. Wika data sheet lm 20.01 ∙ 02/2020. The product can be used for level and interface measurement. ₹ 63,000/ each get latest price. Accutrak at100 and at200 magnetostrictive liquid level transmitters are certified for sil 2 environments. A magnetic field around the wire in the transmitter causes a torsional stress wave that propagates at a known velocity. The finetek magnetostrictive level transmitter identifies the level of liquids and solutions with high precision and reliability. Single probes in external chambers.

Use search tab on the top right side for all the float is a sealed unit and any holes in the shell of the float could allow process fluid to seep inside.

Accutrak at100 and at200 magnetostrictive liquid level transmitters have been certified for operation in sil 2 (safety integrity level 2) environments. The ltm magnetostrictive level transmitter operation is based on the principle of magnetostrictive technology. § two level indications § temperature indications § foundation fieldbus output § honeywell de output § glass viewing window § 316l stainless steel enclosure 20 point strapping table. It can also be applied to the boundary measurement between two different liquids. Use search tab on the top right side for all the float is a sealed unit and any holes in the shell of the float could allow process fluid to seep inside. A magnetic field around the wire in the transmitter causes a torsional stress wave that propagates at a known velocity. The sensing tube contains a wire, which is pulsed at fixed time intervals and the interaction of the current pulse. The model kmd can measure overall level, interface level and process temperature. Through the magnetostrictive wire, the core part of the sensor, the. 1 for interface and a 2nd for total level. Application ranges from petrochemical industries, marine and shipping to food and. High accuracy and no maintenance are two. Magnetostrictive level transmitter is suitable for the level measurement of clean liquid level with high precision requirements, the accuracy reaches 1mm, and the latest product accuracy can reach 0.1mm.

§ two level indications § temperature indications § foundation fieldbus output § honeywell de output § glass viewing window § 316l stainless steel enclosure 20 point strapping table. Accutrak at100 and at200 magnetostrictive liquid level transmitters are certified for sil 2 environments. Magnetostrictive level transmitter is suitable for the level measurement of clean liquid level with high precision requirements, the accuracy reaches 1mm, and the latest product accuracy can reach 0.1mm. It can also be applied to the boundary measurement between two different liquids. Magnetostrictive level transmitter (41 pages).

Liquid And Bulk Solids Level Manualzz
Liquid And Bulk Solids Level Manualzz from s3.manualzz.com
Application ranges from petrochemical industries, marine and shipping to food and. Designs are available for differences of specific gravity down to.02 difference. Posted on december 19, 2017 by kishore karuppaswamy. The model kmd can measure overall level, interface level and process temperature. Magnetostrictive level transmitter is suitable for the level measurement of clean liquid level with high precision requirements, the accuracy reaches 1mm, and the latest product accuracy can reach 0.1mm. Accutrak at100 and at200 magnetostrictive liquid level transmitters are certified for sil 2 environments. Single probes in external chambers. The ltm magnetostrictive level transmitter operation is based on the principle of magnetostrictive technology.

Magnetostrictive level transmitter (41 pages).

Measuring range:200~4000mm accuracy:±10mm working temperature: ₹ 63,000/ each get latest price. It can also be applied to the boundary measurement between two different liquids. Magnetostrictive level sensors are similar to float type sensors in that they both use a permanent magnet sealed inside a float. A magnetostrictive level transmitter is the finest technology available for liquid level interface measurement and control. The finetek magnetostrictive level transmitter identifies the level of liquids and solutions with high precision and reliability. Wika data sheet lm 20.01 ∙ 02/2020. The magnetostrictive level transmitter senses the level of fluid in the vessel by detecting the level of the magnets contained within the float, and then transmits the measurement back to the control system. The electronics generate a current pulse which travels down the. Use search tab on the top right side for all the float is a sealed unit and any holes in the shell of the float could allow process fluid to seep inside. High accuracy and no maintenance are two. A magnetic field around the wire in the transmitter causes a torsional stress wave that propagates at a known velocity. For further approvals see page 3.

Related : K Tek Magnetostrictive Level Transmitter / Posted on december 19, 2017 by kishore karuppaswamy..